POWERCOM AMERICA, INC.
PM3314I (JUMPER VERSION)
|
Card Type |
Modem (asynchronous/synchronous) |
|
Chipset |
Rockwell |
|
Maximum Data Rate |
33.6Kbps |
|
Maximum Fax Rate |
14.4Kbps |
|
Data Modulation |
Bell 103A/212A ITU-T V.21, V.22, V.22bis, V.23, V.32, V.32bis, V.34 Rockwell V.FC |
|
Fax Modulation |
ITU-T V.17, V.21CH2, V.27ter, V.29 |
|
Error Correction/Compression |
MNP5, V.42, V.42bis |
|
Fax Class |
Class I & II |
|
Data Bus |
8-bit ISA |
|
Card Size |
Full height, one-third length |

|
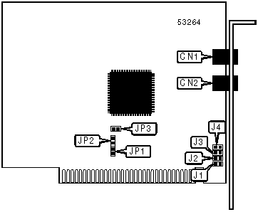
CONNECTIONS | |||
|
Function |
Label |
Function |
Label |
|
Telephone line |
CN1 |
Telephone line |
CN2 |
|
BASE I/O ADDRESS SELECTION | ||
|
Setting |
J3 |
J4 |
|
3F8h (COM1:) |
Closed |
Closed |
|
2F8h (COM2:) |
Closed |
Open |
|
3E8h (COM3:) |
Open |
Closed |
|
2E8h (COM4:) |
Open |
Open |
|
INTERRUPT SELECTION | |||||
|
Setting |
J1 |
J2 |
JP1 |
JP2 |
JP3 |
|
2 |
Open |
Open |
Open |
Open |
Closed |
|
3 |
Closed |
Open |
Open |
Open |
Open |
|
4 |
Open |
Closed |
Open |
Open |
Open |
|
5 |
Open |
Open |
Open |
Closed |
Open |
|
7 |
Open |
Open |
Closed |
Open |
Open |
|
SUPPORTED STANDARD COMMANDS |
|
Basic AT Commands |
|
+++, ‘comma’, A/ |
|
A, B, E, H, L, M, N, O, P, Q, T, V, W, X, Y, Z |
|
&C, &D, &F, &J, &K, &L, &M, &P, &Q, &T, &V, &W, &Y, &Z |
|
Extended AT Commands |
|
\A, \B, \G, \J, \L, \N, \O, \T, \U, \Z |
|
%C, %E, %Q |
|
Special AT Commands |
|
+MS |
|
S-Registers |
|
S0, S1, S2, S3, S4, S5, S6, S7, S8, S9, S10, S11, S12, S14, S16, S18, S25, S26 |
|
S30, S36, S38, S39, S46, S48, S82, S86, S91, S95 |
Note: See MHI help file for complete information. |
|
UNIDENTIFIED COMMANDS | |
|
Command |
Default |
|
S21 |
Unidentified |
|
S22 |
Unidentified |
|
S23 |
Unidentified |
|
S27 |
Unidentified |
|
S37 |
0 |
|
S40 |
57 |
|
S41 |
1 |
|
S49 |
8 |
|
S50 |
255 |
Proprietary AT Command Set
See POWERCOM AMERICA, INC. PM3314I (SWITCH VERSION) for a full command summary.